Wom145_vHE
ARCHIVE
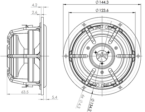
Wom145_vHE is a very high quality 5' woofer designed to cover 45Hz - 3000Hz in High End products. Its uses an under-hung voice coil, built on Ø26mm Titanium former, and made of only 2 layers for very low inductance value (0.04mH).
The motor structure uses two high grade NdFeB magnets, a cooper ring and specific devices to manage the inductance modulation. It uses rigid and damped CGF cone and low mechanical lost surround for fast and clean transient response.
Thanks to the dynamiK spider, the Fs[Hs] remains unchanged on the full excursion, providing same accurate bass reproduction on wide dynamic range.
XXX,XX €
XXX,XX €
VAT Excluded
Available with 3 weeks lead time
This archived product can still be ordered with a minimum quantity of 300 units.
If you are interested, please contact us.
Resonance frequency
FS
44
Hz
Linear response (-3dB)
43 - 3500
Hz
Sensitivity
SPL
88
dB/2.8V/1m
Nominal impedence
6
Ω
Pure linear excursion
X lin.
+/- 6
mm
DC resistance
Re
4.8
Ω
Mechanical quality factor
Qms
4.2
Total quality factor
Qts
0.424
Force factor
Bl
4.92
N/A
Equivalent volume
VAS
15.6
L
Moving mass
Mms
8.6
g
Effective area
Sd
85
cm2









